HT 볼트 > 볼트

볼트
홈 > 제품안내 > 볼트
볼트

본문

HT 볼트

 
3553210174_1399509321.11.gif 3553210174_1399509332.16.gif
 
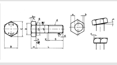
■ DIMENSIONAL STANDARDS (BOLTS)
Unit : mm
Nom
Size
d
d1 H B C D D1 r K a-b E F h s
기준
치수
허용차 기준
치수
허용차 기준
치수
허용차 app
rox
app
rox
최소 반경 app
rox
최대 최대 최대 app
rox
기준
치수
허용차
M12 12 +0.7
+0.2
8 ±0.8 22 0
-0.8
25.4 20 20 0.8~1.6 2 0.7 1˚ 2˚ 0.6 25 +5
0
16 16 10 27 31.2 25 25 1.2~20 0.8 30
20 20 +0.8
-0.4
13 ±0.9 32 0
-1
37 30 29 2.5 0.9 35 +6
0
22 22 14 36 41.6 34 34 1.1 40
24 24 15 41 47.3 39 39 1.6~2.4 3 1.2 45
 
■ DIMENSIONAL STANDARDS (NUTS)
Unit : mm
Nom
Size
d
Outsidedia.
external.
thread
H B C D D a-b E F h
기준치수 허용차 기준치수 허용차 approx approx 최소 최대 최대 최대 approx
M12 12 12 ±0.35 22 0
-0.8
25.4 20 20 0.5 1˚ 2˚ 0.6
16 16 16 27 31.2 25 25 0.8
20 20 20 ±0.4 32 0
-1
37 30 30 0.9
22 22 22 36 41.6 34 34 1.1
24 24 24 41 47.3 39 39 1.2
 
line_down.jpg
서울 구로구 고척동 103-4 고척공구상가 가동 마열 116,121호 업체명:영대볼트상사 사업자번호 113-28-62553 대표자:김형진
tel)02-2625-5571 | fax)02-2625-5570
Copyright ⓒ www.ydbolt.com All rights reserved.