트러스머리 나사 > 피스

피스
홈 > 제품안내 > 피스
피스

본문

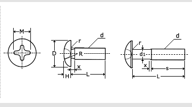
트러스머리 나사

 
3553210174_1399600393.39.gif 3553210174_1399600406.25.gif
 
Unit : mm
나사의
호칭
(d)
피치 십자
혈의
번호
D H C M 1형의 0 2형의 0 (8) r
기본
치수
허용차 기본
치수
허용차 (약) 최대 최대 최소 최대 최소 최대
M2 0.4 1 4.5 0
-0.4
1.2 ±0.1 3 2.2 1.01 0.65 1.32 0.98 0.3
M2.2 0.45 5 1.3 3.2 2.3 1.11 0.75 1.42 1.08 0.3
M2.3 0.4 5.2 1.4 3.4 2.4 1.21 0.85 1.52 1.18 0.3
M2.5 0.45 5.7 1.5 3.7 2.5 1.32 0.95 1.62 1.27 0.3
M2.6 0.45 5.9 1.6 3.9 2.6 1.42 1.05 1.72 1.37 0.3
M3 0.5 2 6.9 0
-0.5
1.9 ±0.15 4.6 2.9 1.72 1.34 2.03 1.67 0.4
M3.5 0.6 8.1 2.2 5.4 3.9 1.83 1.30 2.20 1.73 0.4
M4 0.7 9.4 2.5 6.1 4.2 2.13 1.60 2.50 2.02 0.5
M4.5 0.75 10.6 0
-0.6
2.8 6.9 4.6 2.53 2.99 2.90 2.42 0.5
M5 0.8 11.8 3.1 7.7 4.9 2.83 2.29 3.20 2.71 0.6
M6 1 3 14 0
-0.7
3.7 ±0.2 9.1 6.2 2.86 2.31 3.26 2.76 0.7
M8 1.25 17.8 0
-0.8
4.8 11.7 7.7 4.36 3.78 4.77 4.23 0.9
서울 구로구 고척동 103-4 고척공구상가 가동 마열 116,121호 업체명:영대볼트상사 사업자번호 113-28-62553 대표자:김형진
tel)02-2625-5571 | fax)02-2625-5570
Copyright ⓒ www.ydbolt.com All rights reserved.