접시머리 나사 > 피스

피스
홈 > 제품안내 > 피스
피스

본문

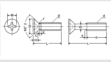
접시머리 나사

 
3553210174_1399600522.15.gif 3553210174_1399600530.89.gif
 
Unit : mm
나사의
호칭
(d)
피치 십자
혈의
번호
D H C M 1형의 Q 2형의 Q (8)
기본
치수
허용차 기본
치수
허용차 (약) 최대 최대 최소 최대 최소
M2 0.4 1 4 0
-0.4
1.2 0
-0.2
0.2 2.2 1.01 0.65 1.32 0.98
M2.2 0.45 4.4 1.3 0.2 2.4 1.21 0.85 1.52 1.18
M2.3 0.4 4.6 1.35 0.2 2.4 1.21 0.85 1.52 1.18
M2.5 0.45 5 1.45 0.2 2.6 1.42 1.05 1.72 1.37
M2.6 0.45 5.2 1.5 0.2 2.6 1.42 1.05 1.72 1.37
M3 0.5 2 6 0
-0.5
1.75 0
-0.3
0.25 3.5 1.43 0.91 1.80 1.34
M3.5 0.6 7 2 0.25 4.0 1.93 1.40 2.30 1.83
M4 0.7 8 2.3 0.3 4.4 2.33 1.79 2.70 2.22
M4.5 0.75 9 0
-0.6
2.55 0.3 4.8 2.73 2.19 3.10 2.61
M5 0.8 10 2.8 0.3 5.0 2.93 2.38 3.30 2.81
M6 1 3 12 0
-0.7
3.4 0
-0.4
0.4 6.6 3.26 2.70 3.66 3.16
M8 1.25 16 0
-0.8
4.4 0.4 8.3 4.96 4.36 5.37 4.82
서울 구로구 고척동 103-4 고척공구상가 가동 마열 116,121호 업체명:영대볼트상사 사업자번호 113-28-62553 대표자:김형진
tel)02-2625-5571 | fax)02-2625-5570
Copyright ⓒ www.ydbolt.com All rights reserved.