냄비머리 나사 > 피스

피스
홈 > 제품안내 > 피스
피스

본문

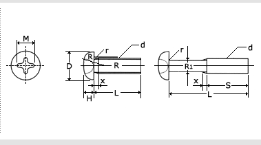
냄비머리 나사

 
3553210174_1399600606.08.gif 3553210174_1399600638.17.gif
 
Unit : mm
나사의
호칭
(d)
피치 십자
혈의
번호
D H
R1 R2
M 1형의 Q 2형의 Q (8) r
기본
치수
허용차 기본
치수
허용차 최소
(약)
최대
(약)
최대 최대 최소 최대 최소 최대
M2 0.4 1 3.5 0
-0.4
1.3 ±0.1 4.5 0.6 2.2 1.01 0.60 1.32 0.93 0.3
M2.2 0.45 4 1.5 5 0.7 2.4 0.21 0.80 1.52 1.13 0.3
M2.3 0.4 4 1.5 5 0.7 2.4 1.21 0.80 1.52 1.13 0.3
M2.5 0.45 4.5 1.7 6 0.8 2.6 1.42 1.00 1.72 1.32 0.3
M2.6 0.45 4.5 1.7 6 0.8 2.6 1.42 1.00 1.72 1.32 0.3
M3 0.5 2 5.5 0
-0.5
2 ±0.15 7 1.0 3.5 1.43 0.86 1.80 1.29 0.4
M3.5 0.6 6 2.3 8 1.1 3.8 1.73 1.15 2.10 1.58 0.4
M4 0.7 7 2.6 9 1.3 4.1 2.03 1.45 2.40 1.88 0.5
M4.5 0.75 8 0
-0.6
2.9 11 1.5 4.5 2.43 1.84 2.80 2.27 0.5
M5 0.8 9 3.3 12 1.6 4.8 2.73 2.14 3.10 2.56 0.6
M6 1 3 10.5 0
-0.7
3.9 ±0.2 14 1.9 6.2 2.86 2.26 3.26 2.71 0.7
M8 1.25 14 0
-0.8
5.2 18 2.6 7.7 4.36 3.73 4.77 4.19 0.9
서울 구로구 고척동 103-4 고척공구상가 가동 마열 116,121호 업체명:영대볼트상사 사업자번호 113-28-62553 대표자:김형진
tel)02-2625-5571 | fax)02-2625-5570
Copyright ⓒ www.ydbolt.com All rights reserved.